Vem que na SPET tem!
Formas de Pagamento
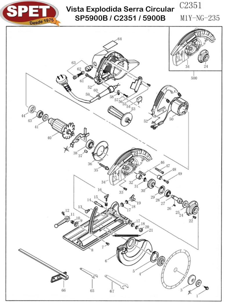
Peça de reposição utilizada na manutenção Serra Circular SPET SP5900B
Características / Compatibilidade:
Serra Circular C2351
Serra Circular N1Y-NG-235
Serra Circular SP 5900B
Serra Circular Makita 5900B
Especificações:
Código: 5979
Posição da Peça (POS): 24
Referência (REF): 4090402012
Principal Material: Aço
Ideal para: Serra Circular SP5900B e C2351
Informações Adicionais:
Acompanha:
Base do Rolamento Pos 24 / Ref 4090402012
Garantia de 3 meses contra defeitos de fabricação*
* a garantia não cobre dados causados por manutenção irregular
