Vem que na SPET tem!
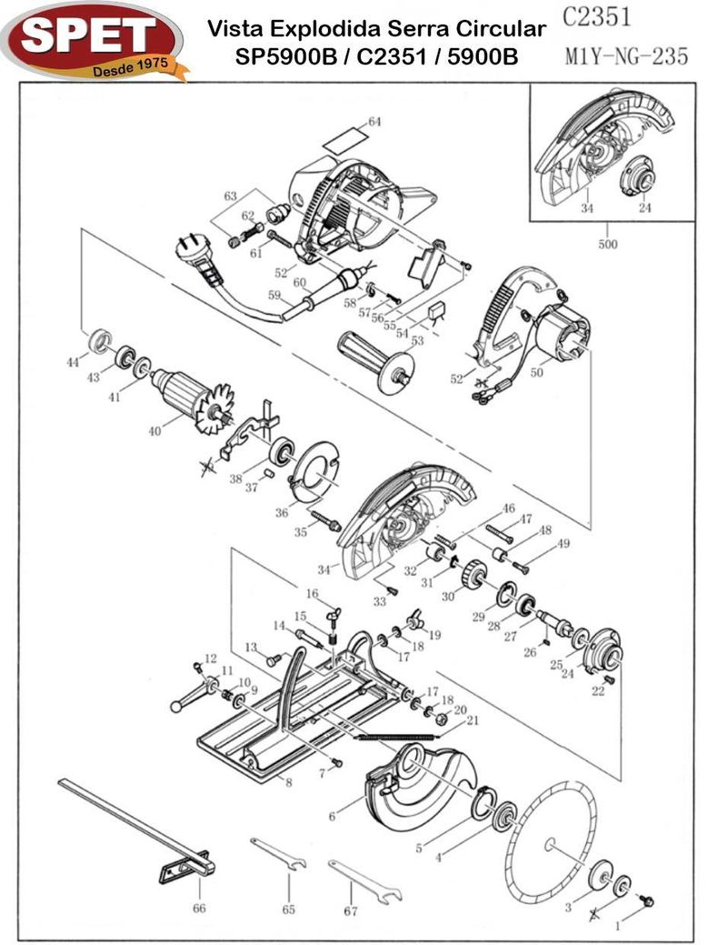
Peça de reposição utilizada na manutenção Serra Circular SPET SP5900B
Características / Compatibilidade:
Serra Circular C2351
Serra Circular N1Y-NG-235
Serra Circular SP 5900B
Serra Circular Makita 5900B
Especificações:
Código: 5994
Posição da Peça (POS): 39
Referência (REF): 4090401006
Principal Material: Metal
Ideal para: Serra Circular SP5900B e C2351
Informações Adicionais:
Acompanha:
Placa de Isolamento Pos 39 / Ref 4090401006
Garantia de 3 meses contra defeitos de fabricação*
* a garantia não cobre dados causados por manutenção irregular
