Vem que na SPET tem!

Ícone Headset

Televendas
(11) 5511-1107

Meus
Favoritos

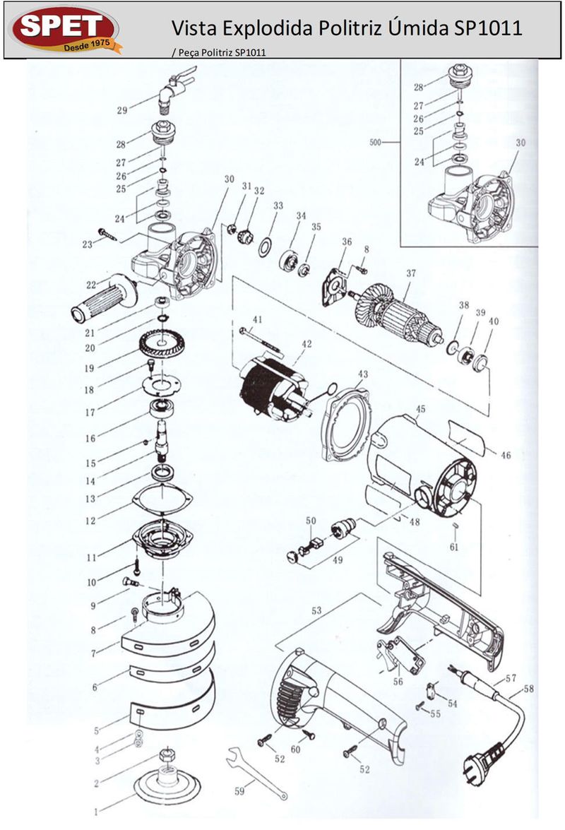
PeçasPolitrizVista Explodida Politriz Úmido SP1011 / MK-1011 / 220V

Vista Explodida Politriz Úmido SP1011 / MK-1011 / 220V

REF: 10214
Carregando avaliações...
Este produto não está disponível no momento
Quero saber quando estiver disponível

Descrição do produto

Vista Explodida Politriz Úmido SP1011 / MK-1011 / 220V